পণ্য বিবরণ
একটি যান্ত্রিক ড্রপ-আউট ফিউজ একটি ডিভাইস যা শক্তি এবং বৈদ্যুতিক সরঞ্জাম রক্ষা করে। যখন লাইনে একটি শর্ট সার্কিট বা ওভারলোড ঘটে, তখন ফিউজ প্রবাহিত হয় এবং কারেন্ট বন্ধ করে দেয়, যার ফলে সার্কিট এবং সরঞ্জামগুলি সুরক্ষিত হয়। এটিতে শক্তিশালী ব্রেকিং ক্ষমতা, ফিউজ অংশগুলির সহজ প্রতিস্থাপন, নিরাপত্তা এবং নির্ভরযোগ্যতার সুবিধা রয়েছে।
পণ্যের বিবরণ
যান্ত্রিক ড্রপ-আউট ফিউজগুলি 50HZ ফ্রিকোয়েন্সি এবং 35KV এবং নীচের রেটযুক্ত ভোল্টেজ সহ পাওয়ার সিস্টেমগুলির জন্য উপযুক্ত এবং বিতরণ ট্রান্সফরমার বা প্রধান বিতরণ লাইনের উচ্চ-ভোল্টেজের দিকে ইনস্টল করা হয়।
প্রধান ফাংশন যেখানে সুরক্ষা কর্মক্ষমতা প্রয়োজনীয়তা উচ্চ নয়। এটি স্বয়ংক্রিয় এয়ার সুইচ প্রতিস্থাপন করতে বিচ্ছিন্ন সুইচের সাথে একত্রে ব্যবহার করা যেতে পারে; এটি ব্যয়বহুল সার্কিট ব্রেকার প্রতিস্থাপন করতে লোড সুইচের সাথে একত্রে ব্যবহার করা যেতে পারে। এটিতে শর্ট সার্কিট সুরক্ষা, ওভারলোড এবং আইসোলেশন সার্কিটও রয়েছে। সহজ কথায়, যখন কারেন্ট সেট সর্বোচ্চ কারেন্ট মানের চেয়ে বেশি হয়, তখন ফিউজের ফিউজ ছোট হয়ে যায় এবং স্প্রিং বল এবং মাধ্যাকর্ষণ সুইচটি খুলবে। স্বাভাবিক রক্ষণাবেক্ষণের সময়, সুইচটি অবাধে টেনে বন্ধ করা যেতে পারে এবং ফিউজ প্রতিস্থাপন করা যেতে পারে।
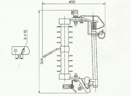
ড্রপ-আউট ফিউজের কাজের নীতি: ফিউজ টিউবের উভয় প্রান্তে চলমান পরিচিতিগুলিকে ফিউজ (গলে) দ্বারা বেঁধে দেওয়া হয় এবং উপরের চলমান যোগাযোগটিকে "ডাকবিল" প্রসারিত অংশে ঠেলে দেওয়া হয়। ড্রপ-আউট ফিউজ বিভক্ত হওয়ার পরে, ফসফর কপার শীট, ইত্যাদি উপরের স্থির যোগাযোগটি উপরের চলমান যোগাযোগকে ধাক্কা দেওয়ার জন্য তৈরি করা হয়, তাই ফিউজ টিউবটি "ডাকবিল" এ দৃঢ়ভাবে আটকে থাকে। যখন শর্ট-সার্কিট কারেন্ট ফিউজের মধ্য দিয়ে প্রবাহিত হয়, তখন একটি চাপ তৈরি হয়। ফিউজ টিউবের সাথে রেখাযুক্ত ইস্পাত কাগজের টিউবটি চাপের ক্রিয়ায় প্রচুর পরিমাণে গ্যাস উৎপন্ন করে। যেহেতু ফিউজ টিউবের উপরের প্রান্তটি সিল করা হয়েছে, গ্যাসটি নীচের প্রান্ত থেকে নির্গত হয়, চাপটি উড়িয়ে দেয়। ফিউজটি প্রস্ফুটিত হওয়ার কারণে, ফিউজ টিউবের উপরের এবং নীচের চলমান যোগাযোগগুলি ফিউজ শক্ত করার শক্তি হারায়। ফিউজ টিউবের নিজস্ব মাধ্যাকর্ষণ এবং উপরের এবং নীচের স্থির যোগাযোগের স্প্রিংসের ক্রিয়ায়, ফিউজ টিউবটি দ্রুত পড়ে যায়, যার ফলে সার্কিটটি সংযোগ বিচ্ছিন্ন হয়। , লাইনের ত্রুটিপূর্ণ বিভাগ বা ত্রুটিপূর্ণ সরঞ্জাম অপসারণ. প্রকৃত 10kV লাইন সিস্টেমে এবং ডিস্ট্রিবিউশন ট্রান্সফরমারের ফিউজগুলি সঠিকভাবে কাজ করতে পারে না, এর একটি কারণ হল যে ইলেকট্রিশিয়ানরা নিম্ন মানের এবং তাদের দায়িত্ববোধ দুর্বল এবং তারা সারা বছর ড্রপ-আউট ফিউজ রক্ষণাবেক্ষণ ও মেরামত করে না। বৃত্তাকার দ্বিতীয় কারণ হল, ড্রপ-আউট ফিউজগুলির পণ্যের গুণমান খারাপ এবং নমনীয়ভাবে টানা এবং বন্ধ করা যায় না। দুটি কারণ ড্রপ-আউট ফিউজগুলির কার্যকারিতা হ্রাস করে। বাস্তবে, প্রায়শই এমন পরিস্থিতি থাকে যেখানে ফিউজড পাইপের অভাব থাকে বা গলিত হয়, বা তামার তার, অ্যালুমিনিয়ামের তার বা এমনকি লোহার তারও গলানোর জন্য ব্যবহার করা হয়। লাইনের ট্রিপিং রেট এবং ডিস্ট্রিবিউশন ট্রান্সফরমারের ব্যর্থতার হার বেশি থাকে।
ড্রপ-আউট ফিউজ হল 10kV ডিস্ট্রিবিউশন লাইন ব্রাঞ্চ লাইন এবং ডিস্ট্রিবিউশন ট্রান্সফরমারের জন্য সবচেয়ে বেশি ব্যবহৃত শর্ট-সার্কিট সুরক্ষা সুইচ। ড্রপ-আউট ফিউজ 10kV ডিস্ট্রিবিউশন লাইনের শাখা লাইনে ইনস্টল করা আছে, যা পাওয়ার বিভ্রাটের সুযোগ কমাতে পারে। যেহেতু এটির একটি সুস্পষ্ট সংযোগ বিচ্ছিন্ন বিন্দু রয়েছে এবং এটি একটি বিচ্ছিন্ন সুইচ হিসাবে কাজ করে, এটি রক্ষণাবেক্ষণ বিভাগে লাইন এবং সরঞ্জামগুলির জন্য একটি নিরাপদ কাজের পরিবেশ তৈরি করে। বিতরণ ট্রান্সফরমারে ইনস্টল করা, এটি বিতরণ ট্রান্সফরমারের প্রধান সুরক্ষা হিসাবে ব্যবহার করা যেতে পারে।
ড্রপ-আউট ফিউজ ফিউজের তারের দ্বারা সংযোগ বিচ্ছিন্ন করা হয়, যাতে ফিউজ টিউবের উপরে এবং নীচের গতিশীল যোগাযোগগুলি ফিউজের টান হারায়। অতএব, উপরের এবং নীচের স্ট্যাটিক কন্টাক্ট স্প্রিংসের ওজনের অধীনে এবং নিজেই, ফিউজ টিউবটি দ্রুত নিচে পড়ে যাবে এবং ড্রপ-আউট ফিউজ সংযোগ বিচ্ছিন্ন হয়ে যাবে, যার ফলে শর্ট সার্কিট বা ওভারলোড থেকে রক্ষা করার জন্য ত্রুটিপূর্ণ সার্কিট বা ত্রুটিপূর্ণ সরঞ্জামগুলি কেটে ফেলা হবে। ক্ষতি
প্রযুক্তিগত পরামিতি


গরম ট্যাগ: যান্ত্রিক ড্রপ আউট ফিউজ, চীন যান্ত্রিক ড্রপ আউট ফিউজ নির্মাতারা, সরবরাহকারী, কারখানা

